Artikeldetails
Bosch Turbo Scara SR8 Schwenkarm-Roboter
Hersteller: Bosch
Bestell-Nr. 3842999836
Serien-Nr.3810333
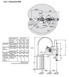
Hub*Pinole 400*25
PN.-Druck max. 8 bar
Last max 8 kg
Gewicht 51 kg
Schwenkbereich siehe Bild
Montiert auf Alu-Profil Grundgestell.
Artikelzustand gebraucht
Die Roboter standen alle bei einem großen Automobilzulieferer als Ausfall-Ersatz-Maschine im Lager, dementsprechend sind Sie
sie in einem sehr guten Zustand.
Neben ca. 50 Paternostern stehen unzählige weitere Maschinen wie Pressen, Roboter, Öfen, Industriesauger etc. zur Verfügung.
Werkstattausrüstung, Werkbänke, Werkstattwagen, Werkzeuge, Stapler und Regale reichlich vorhanden
Insgesamt werden 24.000 m² Produktionsfläche zurück gebaut und veräußert
Beachten sie auch unsere weiteren Angebote.'
Nach Kauf ist der Betrag innerhalb von 7 Werktagen fällig.
Weitere Artikel - neu und gebraucht - finden Sie in unserem Shop!
International shipping costs on request!
Kundenrezensionen
Durchschnittliche Bewertung
0
Basierend auf 0 Bewertung(en)
5
( 0 )
4
( 0 )
3
( 0 )
2
( 0 )
1
( 0 )
Es hat noch niemand eine Bewertung für diesen Artikel abgegeben
Rechtliche Hinweise – Klicken Sie hier für weitere Informationen























