Artikeldetails
Bosch Turbo Scara SR8 Roboter + Steuerung MA4/200-7301-M + RH04.0S
Hersteller: Bosch
PN.-Druck max. 8 bar
Last max 8 kg
Gewicht Roboter 51 kg
+
Steuerung bestehend aus folgenden Komponenten:
Rexroth / MA4/200-7301-M / Roboter Controller Modul
Rexroth RH04.0S
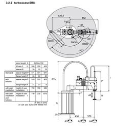
Schwenkbereich / Technische Daten siehe Bild
Da der Artikel mehrfach vorhanden ist und die Roboter unterschiedliche Arbeitswerkzeuge führen
sind dieses nur Musterbilder und können abweichen.
Artikelzustand gebraucht
(Änderungen und Irrtümer in den technischen Daten, Angaben sind vorbehalten!)
Neben ca. 50 Paternostern stehen unzählige weitere Maschinen wie Pressen, Roboter, Öfen, Industriesauger etc. zur Verfügung.
Werkstattausrüstung, Werkbänke, Werkstattwagen, Werkzeuge, Stapler und Regale reichlich vorhanden
Insgesamt werden 24.000 m² Produktionsfläche zurück gebaut und veräußert
Beachten sie auch unsere weiteren Angebote.'
Nach Kauf ist der Betrag innerhalb von 7 Werktagen fällig.
Weitere Artikel - neu und gebraucht - finden Sie in unserem Shop!
International shipping costs on request!
Kundenrezensionen
Durchschnittliche Bewertung
0
Basierend auf 0 Bewertung(en)
5
( 0 )
4
( 0 )
3
( 0 )
2
( 0 )
1
( 0 )
Es hat noch niemand eine Bewertung für diesen Artikel abgegeben
Rechtliche Hinweise – Klicken Sie hier für weitere Informationen











